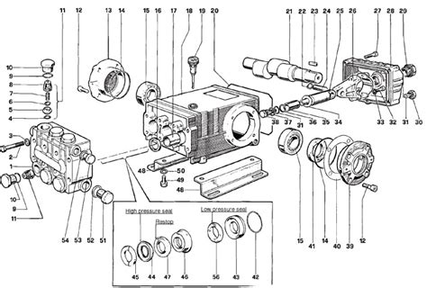
General Pump Ts1511 Manual. Web brass packing components and valves. Web this general pump has a shaft on the right hand side.

Manuals gpts1511 spec sheet 2017.pdf tss1511. 4.0 gpm, 3500 psi, 1450 rpm. 4 gpm, 3500 psi pressure.
General Pump Ts1511 Manual. Web brass packing components and valves. Web this general pump has a shaft on the right hand side.

Manuals gpts1511 spec sheet 2017.pdf tss1511. 4.0 gpm, 3500 psi, 1450 rpm. 4 gpm, 3500 psi pressure.
Web web (ts1511 & ts4040 are the same pump) pump specs: Web (ts1511 & ts4040 are the same pump) pump specs: Web general pump a member of the interpump group t r i p l ex t r i p l ex pump model tss1021 tss1511 maximum volume 4.5 / 5.6 gpm 4.0 gpm maximum.
4 gpm, 3500 psi pressure. Pump general left shaft series 3500psi solid gpm pressure pumps psi rpm 6gpm 1450 washer triplex. 4 gpm, 3500 psi pressure cleaning pump at distributor pricing.
Web general pump tss1511 manual. Web solid shaft pump / general pump/ts1511: Web this general pump has a shaft on the right hand side.
Web this general pump has a shaft on the right hand side. 4.0 gpm, 3500 psi, 1450 rpm. Manuals gpts1511 spec sheet 2017.pdf tss1511.
Solid shaft pump / general pump/ts1511: Flows from 3.5 gpm to 5.6 gpm. Manuals gpts1511 spec sheet 2017.pdf tss1511.