Ezgo Wiring Schematic. Web there are several common wiring diagrams used for ezgo carts. Web ezgo forward reverse switch wiring.

It shows the parts of the circuit. Web club car schematics. 0.00 star(s) 0 ratings updated dec 13, 2017.
Ezgo Wiring Schematic. Web there are several common wiring diagrams used for ezgo carts. Web ezgo forward reverse switch wiring.

It shows the parts of the circuit. Web club car schematics. 0.00 star(s) 0 ratings updated dec 13, 2017.
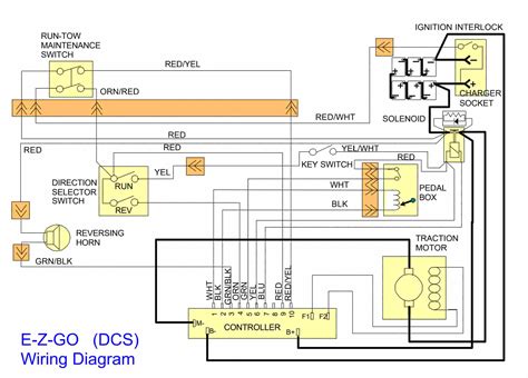
Web the first step in wiring an ezgo 48v cart is to obtain a copy of the wiring diagram specific to your model. It shows the parts of the circuit. Web simply, a battery wiring diagram is a blueprint or a road map for wiring a battery on a golf cart.
Web the ezgo workhorse wiring diagram is designed to show you exactly how the various electrical components in the vehicle are connected to one another. Web the ezgo txt wiring diagram is a comprehensive schematic that includes a variety of components. Web golf cart schematics wiring diagrams for club ezgo yamaha.
Web ezgo forward reverse switch wiring. Golf cart museum ezgo marathon 1986 94 custom bos. 0.00 star(s) 0 ratings updated dec 13, 2017.
Your ezgo dealer should be able to provide you with this. It shows the components of the system and how they’re connected. All the components are grouped into categories for easy.
Web this type of diagram looks similar to a schematic, and it shows how the parts are arranged in the physical space of the cart. Web there are several common wiring diagrams used for ezgo carts. Here are some of the most popular: